4-Bit Binärzahl zu 2 stellig BCD

BCD Zahlen, oder auch Binary Coded Decimals, kodieren die Zahlen 0-9 in 4-Bit. Das ist nützlich, da man so etwas Redundanz hat für sicherheitskritische Anwendungen, aber auch, weil man nette BCD zu 7-Segment Anzeigen Konverter bauen kann. Leider gibt es den Nachteil, dass man nicht ohne weiteres eine 4-Bit Binärzahl, wie sie z.B aus einem Volladdierer kommt, anzeigen kann, da diese einen Zahlenbereich von 0 bis 15 hat.
Um das zu lösen wird hier eine kleine Schaltung vorgestellt, die eine 4-Bit Zahl entgegen nimmt und zwei BCD Zahlen ausgibt, jeweils eine für die beiden Stellen der dezimalen Darstellung.

Theorie

Wir definieren den Vektor x = (matrix{4}{1}{x_0 x_1 x_2 x_3}) als Eingabe in das System und die Vektoren y und z als Ausgabe. Der Vektor y ist dabei die einer-Stelle der resultierenden Dezimal Zahl, z die Zehner-Stelle(x = zy).
Um die Funktionsweise zu verstehen schauen wir uns zuerst die Wahrheitstabelle an:

Dezimal Binär z y
0 0000 0000 0000
1 0001 0000 0001
2 0010 0000 0010
3 0011 0000 0011
4 0100 0000 0100
5 0101 0000 0101
6 0110 0000 0110
7 0111 0000 0111
8 1000 0000 1000
9 1001 0000 1001
10 1010 0001 0000
11 1011 0001 0001
12 1100 0001 0010
13 1101 0001 0011
14 1110 0001 0100
15 1111 0001 0101

Übertragungsfunktion für z

Man sieht, dass z als Zahl entweder 0 oder 1 ist, daher generell nur das niederwertigste Bit verändert wird. Die Bedingung für den Wechsel auf 1 ist relativ einfach und direkt ablesbar:
z_0 = (x_3 ∧ x_1) ∨ (x_3 ∧ x_2)(z_0 meint das Element mit Index 0 des Vektors)


Damit wird also der Ausgangsvektor z zu:
z = (matrix{4}{1}{{(x_3 ∧ x_1) ∨ (x_3 ∧ x_2)} 0 0 0})

Übertragungsfunktion für y

Betrachten wir nun y. Hier wird es etwas schwieriger, da ab einer Eingabe von 10 wieder bei 0 angefangen werden muss zu zählen. Was aber auch bedeutet, dass man erst ab 10 etwas an den Bits ändern muss!
Schauen wir uns y nun mal Bit für Bit in der Wahrheitstabelle an.
y_0 erfährt keine Änderung, ist also direkt x_0.
Betrachten wir nun y_1: Man sieht, dass y_1 ab 10 invertiert wird. Hier würde also ein steuerbarer Inverter helfen, der sobald z_0 gesetzt ist x_1 invertiert. Und genau sowas lässt sich mit einem XOR realisieren:
y_1 = x_1 ⊕ z_0

y_2 ist etwas schwieriger zu Realisieren. Genau betrachtet ist y_2 entweder x_2 für x < 10 oder nur 1 wenn x_3 ∧ x_2 ∧ x_1. Um nun x_2 aus zu blenden, sobald wir über 10 sind, UND-verknüpfen wir es mit overline{z_0} und ODERn alles zusammen:
y_2 = (x_2 ∧ z_0) ∨ (x_3 ∧ x_2 ∧ x_1)

y_3 muss nur noch ausgeblendet werden, sobald wir über 10 kommen:
y_3 = x_3 ∧ overline{z_0}

Der gesamte Ausgabevektor y ist daher:
y = (matrix{4}{1}{{x_0} {x_1 ⊕ z_0} {(x_2 ∧ z_0) ∨ (x_3 ∧ x_2 ∧ x_1)} {x_3 ∧ overline{z_0}}})

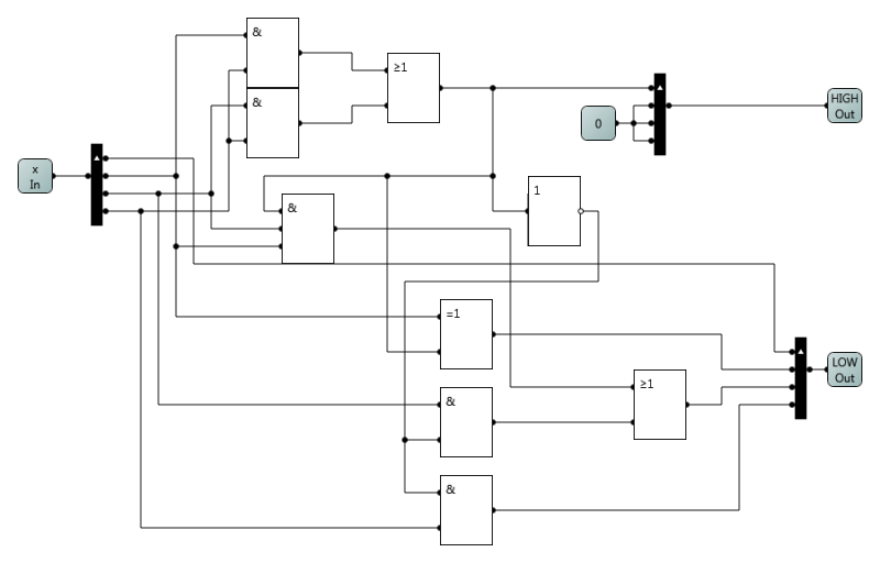
Implementation

Hier nun die Implementation, getestet mit dem Programm „LogicCircuit“:
Implementation des 4-Bit Binär zu BCD Konverter

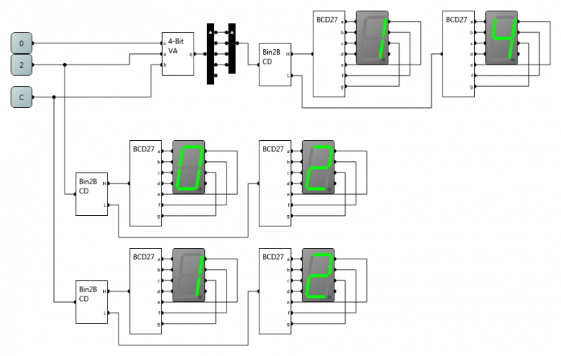
Und so sieht eine mögliche Anwendung innerhalb der selben Software aus:
4-Bit2BCD im Einsatz

Weiterführendes